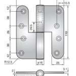
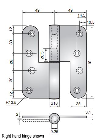
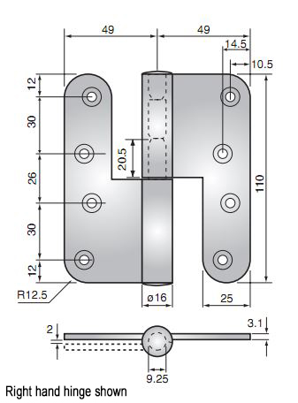
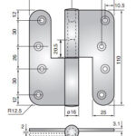
Description
Journal-supported lift-off hinge. Right handed.
Supplied with wood screws.
BS EN 1935 Gra 13 (Heavy Duty). Maximum adjusted door weight: 120kg.
Minimum door thickness 28mm. Approved for use on fire doors.
Size: 110 x 98mm.
Finish: Bright Zinc Plated.
We are unable to accept orders for more than our stock holding for this item.








